Ekipman bileşimi:
Manuel açma makinesi, rulo şekillendirme makinesi, bilgisayar kontrol sistemi, hidrolik kontrol sistemi, kesme makinesi
Ürünlerimiz, güzellik ve dayanıklılık özellikleriyle çeşitli endüstriyel tesisler, sivil binalar, depolar ve basit çelik yapıların imalatında yaygın olarak kullanılmaktadır.
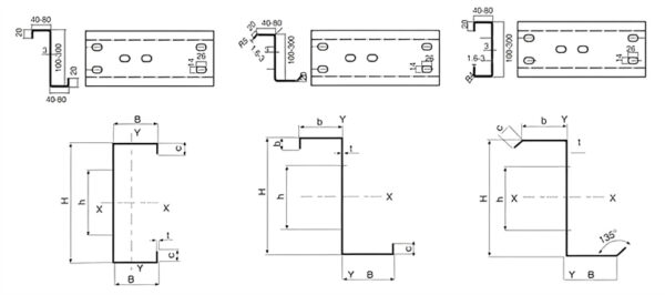
CZ aşık rulo şekillendirme hattı, çeşitli ebat ve kalınlıklarda yüksek hassasiyetli C ve Z şekilli çeliklerin üretimi için tasarlanmıştır.
Yaygın boyutlar 100 mm, 150 mm, 200 mm, 250 mm, 300 mm, 350 mm ve 400 mm'dir ve ihtiyaca göre özelleştirilebilir. "Hızlı Değişimli C/Z Aşık Değiştirme Makinesi" veya "C&Z Kenarlı Kanal Rulo Şekillendirme Makinesi" olarak da bilinen bu gelişmiş hat, tam otomatik kontrol, hızlı çelik değiştirme ve yüksek hızlı şekillendirme özelliklerine sahiptir. Benzersiz verimlilik, hassasiyet ve dayanıklılık ile büyük çelik yapılar ve prefabrik bina uygulamaları için idealdir.





